基于永宏PLC的口服液自动称重灌装系统

2015-06-26 11:36:52 人评论 次浏览 分类:永宏应用案例

口服液称重灌装工序是口服液生产的重要环节,灌装量的多少直接影响产品的品质。原口服液的生产工序大多是人工灌装,抽样称重的方式。由于整个过程均由人工完成,工人劳动强度大,效率低,且受人为因素影响,时有口服液剂量不一,漏检等发生。鉴于以上因素,我们设计了自动控制系统,用于自动称重灌装。永宏 FBS-1LC称重模块为16位解析度荷重模块,具有高可靠性,同时具有高性价比优势,适合大批量的设备装备或改造。
1.3.jpg

概述

实施方案
称重系统的原理
       空瓶从生产线入口流入,当光电开关4感应到空瓶后,转盘马达启动带动转盘,转盘每转动一个工位,光电开关3接通一次,当转盘连续转动2个工位且光电1和光电2接通(表示工位1和工位2有空瓶),马达停止。系统检测空瓶重量后,加液头下降开始加液,当达到设定重量时,加液立即停止,加液头退回,转盘重新转动,装满液体的瓶子从出口流出,空瓶从入口流入,循环工作。见图1 

1.1.jpg


                                图1.系统工作示意图
对PLC功能和规格的要求
      根据称重系统的工作原理,需要X个输入点和X个输出点。2通道称重传感器信号输入。输入输出点分配见表: 

1.2.jpg


       除称重模块外,称重系统的控制部分控制相对简单,程序量少。根据此要求,我们选择了一台永宏FBS-20MA可编程控制器。此可编程控制器价格低廉,可靠性高,体积小,非常适用于小型继电器控制场合,具有20个I/O点和多达20K的程序存储容量。只要经过简单的编程就可达到控制要求。
       称重模块采用永宏FBS-1LC荷重元模块。FBs-1LC 是FATEK FBs 系列PLC 的模拟输入模块的成员.可用于量测负荷元(loadCell)产生之微弱信号.该模块将量测信号以16 位带正负号数来表示.为了能将伴随于信号之现场噪声滤除,本模块内同时提供了取样信号平均的功能。

称重功能的实现
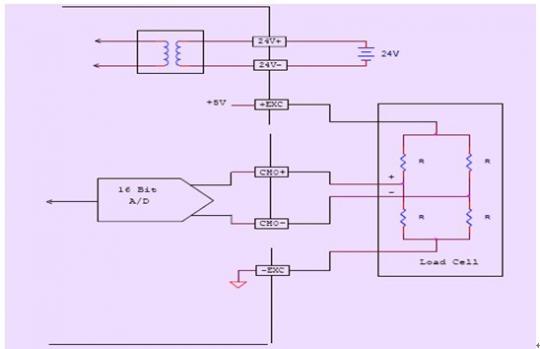
1.称重模块的外部接线
FBS-1LC分解能力为16位,转换速率为5/10/20/25可选。图2为FBS-1LC的接线图: 

1.3.jpg


                                      图2.FBS-1LC外部接线图

2.称重功能的程序设计思路
       当转盘将空瓶传送到工位1,2 号后,光电开关1,2感应到空瓶,此时称重传感器将空瓶的重量经过称重模块传送到PLC ,PLC记录此时的空瓶重量,计算设定的加液剂量与空瓶重量的和为当前值,加液头加液到当前值后立即停止加液。以保证在空瓶重量不一的情况下加液量的相同。如图3: 

1.4.jpg


              图3称重的程序设计思路

结论
       采用本系统减轻了工人的劳动强度,提高了生产效率,提高了称重准确性,保证了口服液产品质量。此项技术可推广应用于药品,化妆品生产线及其它需要自动控制重量和对剂量要求较高的生产线上,具有较好的经济效益。