摘 要 :本文主要讲述了挤出吹塑中空成型机的工作原理、主要构成及变频节能技术在双工位挤出吹塑中空成型机改造中的应用,同时阐述了推广该项节能技术的必要性与可行性。
1 引言
当今社会一方面经济快速发展,另一方面能源日趋紧缺,发展与能源之间的矛盾越来越突出,能源紧缺问题已成为社会发展中的重要问题,如何降低能耗、节约能源,各级政府也提出了更具体、更严格的量化指标,对于各企业来说节约能源已是责无旁贷,因而近几年各行各业的节能技术与节能产品不断地得到推广与应用,其中变频节能技术是主要节能技术之一,已被广泛应用于塑胶、水泥、化工、中央空调等领域。
塑胶行业是主要工业之一,其耗电在工业耗电中占有很大的比重,随着市场竞争的日渐激烈,如何降低生产成本,提高产品市场竞争力成了各塑胶企业关心的问题,而在各企业生产成本中塑料设备用电占了很大部分,现有设备中存在很大的电能浪费,本文以深圳市国兆节能科技有限公司设计的国兆GZS系列节电器为例,讲述了变频节能技术在塑胶设备—双工位挤出吹塑中空成型机节能改造中的应用,并阐述了推广该项节能技术的必要性和可行性。
2 挤出吹塑中空成型机工作原理及构成
2.1 工作原理
吹塑中空成型机是中空制品的主要成型设备之一,主要有挤出吹塑中空成型机、注射吹塑中空成型机、拉伸吹塑中空成型机和不对称吹塑中空成型机等类型,其中挤出吹塑中空成型机是采用挤出机单元的机筒加热和螺杆的剪切作用使塑料塑化,旋转的螺杆将塑化、均化后的塑料经机头挤出形成管坯,合模装置将管坯夹紧后由切刀装置将管坯切断,在切断前先进行预吹气,主要是为了防止管坯壁粘连,合模吹气装置将管坯切口封死同时吹入一定压力的空气,使型坯紧贴模具腔内壁,经冷却后去除废边,合模装置分开,即获得所需中空制品,流程图如图1所示。

图1 挤出吹塑中空成型机工艺流程
2.2 主要构成
挤出吹塑中空成型机主要由挤出机、机头、合模装置、吹气装置、液压传动装置、加热冷却控制系统和电气控制系统等构成,设备外形图如图2所示。

图2 挤出吹塑中空成型机设备外观图
机械装置包括主要有挤出装置(螺杆挤出机)、机头、移模机构、开合模机构、升降机构、吹气装置、坯料电热切刀装置和抬模头装置等;气动装置部分主要用于气缸工作及制品的吹塑等;冷却装置主要采用冷却水进行冷却,冷却水主要供模具、机筒、吹针等部位的冷却用。
电气控制系统主要有由挤出机电气传动控制系统、油泵电机传动系统控制、机头及挤出机的加热与温控系统、动作程序控制系统(PLC)、人机界面等组成,其示意图如图3所示。

图3 挤出吹塑中空成型机电气控制示意图
2.3 双工位挤出吹塑中空成型机
如上文所述目前吹塑中空成型机主要有挤出吹塑中空成型机、注射吹塑中空成型机、拉伸吹塑中空成型机及不对称吹塑中空成型机主要几种类型,其中挤出吹塑中空成型机又分为单工位挤出吹塑中空成型机、双工位挤出吹塑中空成型机及多层挤出吹塑中空成型机,其中双工位挤出吹塑中空成型机主要用于冷却时较长的中空制品,其具有两套合模和移模装置,在制品冷却的同时另一套模具进行合模、成型动作,与单工位机型相比,双工位机型在生产制品时充分利用冷却时间,一方面提高了产量,另一方面也可保证质量,本文就以双工位挤出吹塑中空成型为例介绍变频节能技术在此在设备中的应用。
3 双工位挤出吹塑中空成型机的变频节能改造
3.1 变频节能原理
双工位挤出吹塑中空成型机原有系统中油泵电机始终以恒定速度运行,当工艺所需的压力变化时通过油路系统的比例流量来调节,多余的液压油则通过溢流阀卸回油缸,这样并造成很大部份的能量浪费,由泵类负载工作特性可知泵的流量与转速成比例关系,扬程与转速成平方关系,电机轴功率与转速成立方关系,如下公式所示:
Q2/Q1=N2/N1
H2/H1=(N2/N1)2
P2/P1=(N2/N1)3
其中: Q—流量;
N—转速;
H—扬程。
如图4所示当流量由QA减少到QB时由于管阻特性,工作点由A点转移B点,消耗的功率与0QBBHB面积成正比,若采用变频控制其管阻特性不变,工作点由A 点转移到C点,消耗的功率与0QBCHC面积成正比,从图4可知采用变频调速比采用阀门控制节能,且随着转速的降低电机功率成立方关系减少,如果能根据注塑工艺适时地调节油泵电机转速即可达到节能目的。

目前三相异步电动机大多采用变频调速,由电机同步转速公式:
n=60(1-S)f/p;
其中: S—转差率;
f—供电频率;
p—极对数。
由上式知道通过改变电源频率便可改变电机转速,根据中空吹塑成型机的工艺调节油泵电机的转速,从而使溢流阀的回流量减到最小,液压系统输出功率与生产所需功率相匹配,这样便可达到节能目的,据不完全统计改造后其电机节电率可达25%~65%。
3.2 电气控制方案
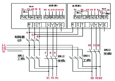
双工位挤出吹塑中空成型机电气系统改造主要是通过采集它的合模、模头上升、模头下降、模架左移、模架右移、开模等动作信号,先将相关信号送给专用控制器运算处理,控制器输出信号控制油泵电机变频器,根据工艺参数调节油泵电机转速,使油泵电机输出功率与工艺所需的功率相匹配,从而实现节能,其控制系统示意图如图5所示。
挤出吹塑中空成型设备在设计时对于工艺所需的最大速度和最大压力一般都存在很大余量,实际生产制品时并没有达到最大设计状态,根据实际工况和产品工艺要求,适当降低油泵转速,减少供油量,这样在不影响生产工艺前提下,油泵电机输出的功率得到有效利用,减少电机电能的浪费,根据吹塑成型的工艺过程对油泵电机进行多段调速控制,例如在合模阶段所需要压力、速度较大时可适当提高本段油泵转速,而在开模、模架左移、右移等阶段所需压力、速度不高时,可适当降低油泵电机转速,但在每个工序阶段时油泵转速则保持恒定,采用这种控制方案,当工艺参数调整时油泵输出能够保持稳定,使用产品质量与稳定性都不会受到影响。
3.3 国兆节电器介绍
3.3.1 产品介绍
国兆GZS系列节电器是由深圳市国兆节能科技有限公司根据吹塑成型设备工艺特点专业设计的一款节电器,有单电机变频GZS-Z1系列、双电机变频GZS-Z2系列和多电机变频GZS-Z3系列三种型,适用于各种不同吹塑成型设备,本产品采用国家专利技术设计,主要由信号采集、信号处理控制器、专用变频器、节电与市电转换电路等部分组成,国兆GZS系列节电器与市场上现有节电器比较具有以下特点:采用专用信号控制器,可以根据吹塑成型设备不同类型编写相应的控制软件;采用多段速控制方式,可根据工艺要求分段调整变频器运行频率;采用专用变频器,其过载能力强、响应速快,加减速时间可达0.3s;具有电机过流、过压、欠压、掉电、过载、输出短路等多种自动保护功能;具有稳压功能,当电网电压波动时能自动调节输出频率达到稳压功能;采用专利控制技术,节电效果比一般模拟控制和变量泵控制方案更显著等。
3.3.2 设计特点
在电路设计方面主电路采用市电回路与节电转换回路独立设计(如图6示),运行中若节电器出现故障可通过转换开关直接转换到市电回路运行,不会对生产造成影响。

图6 国兆节电器电路示意图
控制电路方面其控制信号取自原设备各工序的开关量信号(电磁阀控制信号),经节电器信号采集电路进行隔离处理后送给专用处理器处理,这样控制信号不容易受外界干扰。
4 节电器的应用
4.1 设备选型
东莞某容器有限公司主要生产各种塑料容器,共有15台双油泵双工位挤出吹塑中空成型(型号为DHD-2L),生产容量为2L容器,其中挤出机单元原有设备已带变频调速,现对其油泵电机进行变频改造,其主油泵电机功率为22kW三相异步电机,辅油泵电机功率为7.5kW三相异步电机,选用国兆GZS- Z2-4T-0220kW(双电机,主电机变频器为22kW,辅电机变频器为7.5kW)节电器进行改造。
4.2 电路实现
油泵电机改造电路控制较为简单,主电路保留原有设备中的星-三角降压起动电路(对于22kW油泵电机),相当于在原供电电源与电机起动电路之间串接节电器,其主电路如图7所示。

图7 双工位挤出吹塑中空成型机节能改造主电路示意图
其控制电路主要实现信号采集、信号处理、状态指示、市电与节电间切换等功能,示意图如图8所示。

图8 双工位挤出吹塑中空成型机节能改造控制电路示意图
4.3 参数设置
根据油泵电机工作特点,现对主油泵电机进行多段速控制,而辅油泵电机采用单段速控制,其中主油泵电机变频器参数设置如附表所示。

一个产品的吹塑成型工艺较为复杂,原有系统中油泵电机以恒定速度运行
4.4 设备调试与注意事项
其油泵提供的油量为额定值,各工序所需的实际油量通过比例阀、溢流阀调节实现,每个不同产品其各工序对应的工艺参数在生产中一般不做很大的调整,系统改造后通过改变油泵转速来调节油量,因而调试时应将节电器与吹塑成型机两者配合一起调试才能达到最佳节电效果,系统调试时注意思以下方面:
4.4.1 调试前准备
节电器安装完毕后在通电前应先检查电路是否正确,尤其是主电路应注意其输入线与输出线是否接反,否则严重时会损坏节电器,原有设备中电机降压启动电路(采用 Y-△起动较多)应保持不变,若有其它电路供电电源连在电机Y-△启动电路接触器的前端,改造时应将其移到节电器的电源端并注意电压等级,否则会造成设备不能正常运行,另外还应检查控制信号电路,注意控制信号的极性及伏值是否对应,确认无误后才可通电并观察节电器电源指示灯是否指示正常。
4.4.2 市电状态调试
节电器通电后先进行“市电”调试,将节电器设备选择开关拔至“市电”状态,启动设备油泵电机,进行手动状态调试,分别手动执行开模、合模、模左移、模右移等各个动作,同时观察节电器信号采集指示灯是否对应指示,此时吹塑成型机各个动作将根据手动指令执行,调试时若发现吹塑成型机合模或开模等无任何动作时,则可能为油泵电机反转,可判断油泵电机是否反转,若反转应先切断电源后调整市电接触器输出线,手动调试正常后可结合产品进行试生产,当生产出的制品质量、性能均满足工艺要求后可进行节电状态调试,先停止油泵电机将节电器设备选择开关拔至“节电”状态。
4.4.3 节电状态调试
节电器处于“节电”状态调试时要根据工艺参数设定调整,一般原则是节电器运行频率先根据经验值设定好(如附表),再根据生产产品的类型调节吹塑成型合模、开模、模架左移或右移等对应的工艺参数,节能状态时各参数值比市电状态设定要求稍大些,以不超过10%为宜,如果调整工艺参数还不能满足要求时,可适当调整节电器对应段的运行频率,直至节电状态生产出制品的各相指标均符合要求为止。
5 节能效果分析
根据实测数据,改造前油泵电机(两个电机额定功率分别为22kW和7.5kW)每小时共耗电17.5kW•h,改造后每小时共耗电为11.5kW•h,电机总节率为34.2%,该厂设备平均每月开机26天,每天22小时,则:
每月节约用电:
=(17.5-11.5)×22×26=3432kW•h;
每年节约用电:
=3432×12=41184kW•h;
每度电平均以0.9元计算,每台设备每年节约成本约4万元;
该企业15台中空吹塑成型机改造至今设备运行稳定,未出现故障,改造后生产产品质量性能均能达到工艺要求,设备总投资约50余万元,每月节约5万元,约10个月便收回投资。
6 结束语
目前塑胶
|