1、什么是晶体二极管?
晶体二极管结构由PN结、管壳、电极引线等组成,使用时,阳极接电源正极,阴极接电源负极,符号箭头表示正向电流方向。按材料分有锗二极管和硅二极管;按结构分有点接触型和面接触型;按用途分有整流三极管、开关二极管、稳压二极管及光电二极管等。
2、怎样判别晶体二极管的极性?
通常根据晶体管管壳上标志的二极管符号来判别。如标志不清或无标志,可根据二极管正向电阻小,反向电阻大的特点,利用万用表来判别极性。具体方法是,先将万用表选择开关旋到R×100或R×1000档,然后用表笔分别正向、反向来测量出二个电阻值,一个约几百欧,一个则为几百千欧。凡量出几百欧小电阻值的,则与黑表笔相连的一端为正极,另一端为负极。
3、怎样识别二极管的好与坏?
因为晶体二极管是单向导通的元件,因此测量出来的正向电阻值与反向电阻值相差越大真好。如果相差不大,说明二极管性能不好或已损坏。如果测量时表针不动,说明二极管内部已断线。如果测出电阻为零,说明电极之间已短路。
4、晶体二极管在使用时应注意哪些问题?
按使用要求的不同,应注意下列主要方面;(1)接入电路前,必须判别二极管的极性、质量好坏,然后正确接入电路中,切不可错接极性。(2)识别二极管型号,必须注意二极管的正向电流和反向电压峰值不能超过手册中所允许的极限值。(3)整流二极管如需串联使用,以适应在高电压工作时,每个二极管应并联一个均压电阻,按每100伏峰值电压70千欧计算,如需并联使用以满足通过较大负载电流的要求时,每个二极管应串联10欧左右的均流电阻,防止个别元件过载烧坏。(4)大功率的二极管应加装散热器。(5)安装二极管时,应尽量将管子远离发热元件。
5、什么是稳压二极管?
稳压二极管也是一种晶体二极管,用来对电子电路起稳定电压作用。与一般二极管不同点是;当稳压二极管反接时(阳极接电源负极、阴极接电源正极时),不会被击穿而损坏,且工作在击穿区起稳压作用。
6、稳压二极管使用时应注意些什么?
因稳压二极管工作在反向电压下,应注意极性不能接反。如果极性接错,造成电源短路,将产生过大电流烧坏二极管。环境温度要控制在500C以下,温度每升高10C,稳压管的最大耗散功率降低1~2%使用。还要注意的是稳压管可以串联使用,但切忌并联使用。
7、什么是光电二极管?
光电二极管的结构和二极管相似,装在透明的玻璃外壳中,管中的PN结可以接受到光照。光电二极管在电路中是处在反向工作的,在没有光照时,其反向电阻很大,可达几兆欧。有光照时,光电二极管的反向电阻只有几百欧,反向电流约为几十微安。通常用在光电转换的自动控制仪器中。
8、什么是晶体二极管整流电路?
整流就是将交流电转变为直流电的过程。晶体二极管整流电路是利用二极管单向导电特性组成的整流电路。分为单相整流和三相整流两种,整流的形式又可分为半波整流和全波整流。一个完整的二极管整流电路应包括整流变压器。
9、稳压管有哪些参数?
稳压管有四个主要参数。(1)稳定电压UZ,指在正常工作下管子两端的电压。它的允许范围在最小反向击穿电压与最大反向击穿电压之间,手册中气死都是在一定的条件下(温度、工作电流)的数值。但由于工艺方面原因,稳压值有一定分散性。例如2CW18稳压管的稳压值为10~12伏。(2)稳定电流IZ,只是作为一个参考数值,设计选用时要根据具体情况(工作电流的变化范围)来定。(3)耗散功率PZ与稳定电流IZ的乘积。(4)电压温度系数av,为稳压管受温度变化影响系数。
 10、整流电路有哪几种型式?各有什么特点?
(1)半波整流电路。如图42所示:根据二极管具有单向导电的特性,当二极管正极接电源正端,负极接电源负端,电源U2正半周时电路立即有电流流过。反之电源U2负半周时则电路无电流,为不导通状态。因此在R电阻上得到单方向的脉动电压,把交流电变成直流电。这种单相半波整流电路的特点是电路简单,只需一个二极管元件,但整流出来的直流电压直流分量较小,UR约为0.45U2。
(2)单相全波整流电路:它是由两个单相半波整流电路合起来组成的。在变压器次级引出大小相等,方向相反的两个电压U2a、U2b,当第一个二极管正极接电源正极,D1导通,这里第二个二极管D2不通。当第二个二极管正极接电流正极,D2导通,这里第一个二极管又不通,这样轮流导通。在R电阻上得到两个单向半波的脉动电压,比半波整流的直流分量大一倍。其特点是电路所需二极管比半波多一倍,但脉动较小,输出电压UR为0.9U2。因为变压器要中心抽头,比较麻烦,且二极管D1和D2承受的反向电压比半波的二极管要高。 (3)单相桥式整流电路:如图43所示。它是由四个二极管接成的整流电路。当电源极性为上端正极下端负极时,D1和D3导通,R上有电流流过,得到一个半波整流电压,当电源电压为上负下正时,D2和D4导通,R上也得到一个半波整流电压,如此重复,在负载R上高能得到一个和单相全波整流一样的电压,输出电压UR为0.9U2。其特点为电路所需二极管比全波整流多一倍,但每个二极管承受的反向电压比全波小。
 11、三相桥式整流电路是怎样的?
三相桥式整流必须用三相变压器,变压器的副边相电压分别为Ua、Ub、Uc,电路如图44所示。
 当电压在t1~t2时间内,a相电压为正,b相为负D1、D4、导通,电流从a相出发经过D1、R,再经过D4回到b相,使ab间的线电压全加在R上。当电压在t2~t3时间内,a相电压仍然为正,而c相电压为负。这时电流从a相出发,经过D1、负载R、D6回到C相,使ac之间线电压加在R上,如此下去在t4~t5时间,D3与D2导通,t5~t6时间,D5与D2导通,t6~t7时间,D3、D4导通,就使负载R得到一个平直较好的直流电压。
12、什么是二倍压整流电路?
经过整流在输出端能得到高于输入端二倍的直流电压,这种整流电路叫二倍整流电路,如图45所示。
 当电源电压为正半周时,二极管D1导通,电源对C1充电,C1两端电压可充到U2。当电源电压为负半周时,D2导通,电容C2充电达到2U2。这说明输入交流电压幅值为U2,则在负载R上可以得到二倍的直流电压2U2。
13、什么是滤波电路?为什么进行滤波?
利用整流电路可以将交流电转化为直流电,但从得到的直流电压来看,往往含有相当的交流成分。在要求较高的电器设备中,如自动控制、仪表等,必须想办法削弱交流成分,而滤波装置就可以帮助改善脉动成分。 14、滤波电路有哪几种类型?
常用的滤波装置有电容和电感元件,因为这两种元件都具有储能作用,故用来调节脉动成分,以使输出电压平滑。最常用的有电阻电容滤波,如图46(a)所示。电感滤波如图46(b)所示。为L型滤波,图a和c为型滤波。
15、常用的直流稳压电路是怎样的?
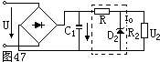
最简单的直流稳压电路是采用稳压管来稳定电压的。电路的接法如图47所示。交流电压经过桥式整流电路整流和电容器滤波得到直流电压U0。再经过电阻R和稳压管D2组成的L型稳压电路,然后接到负载R上,这样负载R将得到一个较稳定的直流电压。



 16、直流稳压电路的稳压管怎样起稳压作用?
当电源电压发生波动时输出电压也将随着发生变化。比如电源电压升高,则稳压管两端电压也相应增高。由于稳压管的反向击穿特性,当电压增高时,稳压管电流I增加很快,于是在R上的压降增加,使得输出电压保持不变。同时,如果负载电流变化,输出电压也变化,稳压管电流I显著增加,仍旧通过R上的电压变化进行调整,使输出电压不变。
17、什么是晶体三极管?
晶体三极管由两个PN结组成,它有三个电极引出,从两边分别引出发射极e和集电极c,从中间引出基极b。所以晶体三极管是具有三个极两个结的半导体元件。它分为NPN类型与PNP类型。
18、晶体三极管有哪几种接线方式?
根据输出端和输入端,公共端的不同,分为三种基本接线方式。(1)共发射极接线,以发射极作为输入输出公共端,多用在放大电路中,如图(a)所示。
(2)共集电极接线,也称为射极输出器,以集电极作为输入输出的公共端,多用来进行阻抗变换,如图(b)所示。
(3)共基极接线。以基极作为输入和输出的公共端,多用在振荡电路和高频放大电路中,如图(c)所示。


 19、晶体三极管有哪些主要参数?
晶体三极管的主要参数有:(1)电流放大倍数。它是衡量三极管放大能力的一个主要参数,由集电极电流变化量与基极电流变化量的比值来表示,即=。值为约为20~100之间。值太高会使晶体管性能不稳定,太低,会导致放大作用不好。(2)反向饱和电流Icbo。它是当发射极开路时,集电极与基极间的反向电流。这个数值越小越好。(3)穿透电流Iceo.它是基极开路,集电极接反向电压,发射极接正向电压时,流过集电极的电流。这个数值越小越好。
20、晶体管的发射极和集电极都是从N型(或PNP管的P型)半导体中引出的,那么能否对调使用?为什么?
不能对调使用。因工艺结构关系,发射结面积小,集电结面积大,发射区杂质浓度大,集电区浓度小。这种工艺结构的不对称性,功能完全不同,故不能把发射极与集电极对调。否则就起不到放大作用。
21、如何使晶体管能产生电压放大作用?
首先要使发射极(be间)正向偏置。集电极(bc间)反向偏置,如图50所示。这样Vbe的变化引起Ib变化,Ib的变化通过集电极负载电阻Rc,就会产生很大的压降,它比Vbe大很多倍,这就是晶体管的电压放大作用。
 22、如何用简易方法测出三极管的放大倍数?
可以使用万用电阻表粗测例如PNP管,可将正表笔(红)接发射极,负表笔(黑)接集电极,用R×100的欧姆档,读取一个极间电阻值然后就在集电极与基极间接入一个100千欧的电阻,再读极间电阻值。对两次电阻值进行比较,二者相差越大,数值就越高。如果二者电阻值接近或相同,说明管子已坏。
23、如何用万用表来判别三极管的管型和管脚?
管型与管脚的判别方法如下:(1)管型判别。用万用电表R×1K档,正表笔接任何一管脚,负表笔分别搭其余两管脚,若测出阻值都很小时(约在1千欧以下),则为PNP管型。若测得阻值均很大时(约为几百千欧),则为NPN型的三极管。(2)管脚判别。基极判别出来后,其余两个管脚不是发射极就是集电极。我们可以假定红表笔接的集电极c,黑表笔接的发射极e,用湿手指捏住bc两极,但不可使bc两极直接接触,读出阻值,然后将红黑二笔对调,进行第二次测试,将读数相比较,若第一次阻值小,则说明是正确的,红笔接的是集电极c,测量时要注意,必须将万用电表放在欧姆档的R×100或R×1K档上。
24、如何差别三极管是高频管还是低频管?
用万用电表R×1K档。例如NPN管,可将正表笔接基极,负表笔接发射极,这时阻值读数较大,然后再用R×10K档测,如果阻值读数没有很大变化,则说明为低频管,如果阻值变小了,说明为高频管。
25、如何差别三极管是硅管还是锗管?
用万用电表R×100或R×1K档。如是PNP管,正表笔接基极,负表笔接任意一极,若表针指在表盘中间偏右位置,该管为硅管。如果表针位置在表盘右接近满刻度附近,则该管为锗管。
26、如何差别三极管好与坏?
主要测量极间阻值判断PN结的好坏。用万用电表R×100档测发射极和集电极的正向电阻,如果测出都是低阻值,说明管子质量是好的,如果发现测出的阻值正向电阻非常大或者反向电阻非常小,说明管子已损坏。
27、什么叫可控硅?
可控硅又称晶闸管。是晶体闸流管的简称,它是一种大功率的半导体 |