PLC在输煤程控系统中的应用
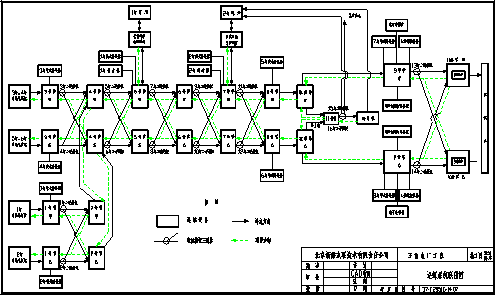
| 〖摘 要〗 本文介绍了输煤系统的工作原理和特点,对本系统使用的软、硬件进行了说明,讲述了远距离通讯的网络构成,以及多个三通挡板的使用令系统更具有灵活性和高效率。 〖关键词〗电动三通挡板;自动;热备;通讯 Abstract:The article describes principle and characteristic of convey coal system, narrates software、hardware and all of networks of this system.System is agility and efficiency that many baffles is used. 1.前言 为缓解我国电力供应严重不足的现状,许多大容量的火电厂在全国各地纷纷投入建设和使用,因此对煤炭的需求量也就越来越大,对输煤等公用系统的自动化控制要求也就越来越高。 山西某发电厂2×600MW机组自动控制系统由两类控制设备组成:主控部分(包括锅炉、汽机和发电机等)使用的是HONEYWELL公司的DCS控制系统;公用部分(包括输煤、化水和除灰等)使用的是ROCKWELL公司生产的Contrologix5000系列PLC系统,上位软件使用的是iFix3.5,并且数据通过以太网与DCS系统连接,使得本系统即可以在输煤程控上位机上操作,又可以在DCS上操作。 输煤系统的主要功能是把通过火车和汽车等交通工具运送到火车卸煤沟和汽车卸煤沟的煤炭,通过一系列运送设备运达原煤仓的过程。 由于该电厂发电机组容量大,并且是两台机组公用一套输煤系统,对煤炭的需求量非常大,为了避免一条上煤通路成为瓶颈,耽误正常生产,设计了两条上煤通路,一路运行,一路备用,也可以两条通路同时运行,分别向两个不同的目的地运煤。 2.控制设备 本套输煤系统的控制对象有:皮带机21条(其中5#甲和7#甲皮带可双向运行),斗轮堆取料机2台,滚轴筛2台,环式碎煤机2台,清水泵2台,振动器30台,刮水器2台,电动三通挡板16台,入炉煤取样器2台,除尘器15台,叶轮给煤机6台,盘式电磁除铁器2台,带式电磁除铁器8台,皮带采样装置2台,卸料车2台,共计114台设备。 ![]() 程控系统所有的输入、输出信号均通过继电器隔离,以提高系统的抗干扰能力并保护PLC模块以避免大电流信号的进入而损毁。 本套输煤系统采用了16个电动三通挡板,为的是使系统组合更加灵活多样。当有设备出现故障需要检修时,可以通过使用其他设备,调整三通挡板的通路绕过故障设备继续上煤,使整个系统不至于因某一个或几个设备的故障造成瘫痪。 3.设备的控制方式 设备的控制方式有以下几种: 1) 实验方式:即手动操作方式。这种方式是在上位机上对单个设备进行开、关,启、停的操作,设备间的联锁关系已经被解除了,不存在联跳功能,因此这种方式下不能带负载运行。 2) 集中联锁手动:此方式是对要启动的流程中的设备按逆煤流方向一对一的启动,按顺煤流方向一对一停机,要求设备启动前须先将三通挡板启动到位,设备的保护动作处理均同自动控制方式。 3) 自动方式:按照预先设定的流程启动或停止相关的设备,是一种正常运行方式,要求现场设备必须处于正常状态。自动方式为系统的最佳控制方式,在此方式下,设备的空载运行时间最短,操作员的操作步骤最少。 4) 就地方式:在就地操作箱上把手自动选择按钮打在就地位置,从操作箱上发出启停或开关命令,实现对现场设备的操控。在此种方式下,PLC就失去了控制此设备的功能了。 输煤系统主要有8种流程可供选择,分别是: a) 汽车卸煤沟→1号煤场; b) 汽车卸煤沟→2号煤场; c) 火车卸煤沟→1号煤场; d) 火车卸煤沟→2号煤场; e) 汽车卸煤沟→主厂房煤仓间; f) 火车卸煤沟→主厂房煤仓间; g) 1号煤场→主厂房煤仓间; h) 2号煤场→主厂房煤仓间; 在上位画面上有选择流程的分画面,通过这些画面实现流程和设备的选用。 4.输煤程控系统方案的设计与实施 1) 硬件系统(参见下图) ![]()
b) 控制系统 |


