冲床送料装置的单片机自适应控制
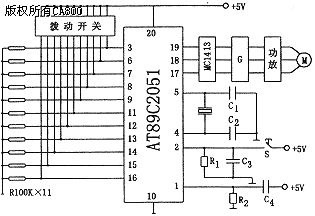
某厂生产的医用铝瓶盖采用铝带料,在冲床上通过落料—拉深复合模,在一次行程中制成的。其自动送料装置都采用前双辊支撑、后双辊拉料方式。后辊的间歇旋转运动取自冲床曲轴的动作,靠连杆、棘轮-棘爪机构实现。然而,某些冲床受结构限制,外引这一机构较困难,故我们采用了单片机控制的步进电机带动的自适应送料装置。 1 控制系统的组成 控制系统如图1所示,选用了当今最先进的51系列单片机AT89C2051,它管脚少(仅20个),外围电路简单,而功能很强,除带有双向串/并口、两个16位内部定时器外,还带有2K电可擦写的闪速EPROM(用于控制程序的驻存)、128字节的RAM(用于数据的存放)。外接晶振频率可高达 24MHz,使单条指令的运行时间仅为0.5~1μs,可用于快速实时控制场合。外接电源为3~6V,适应性强。另外,价格低廉,非常适合制作小型控制系统。
图1 控制系统电路原理 本系统中的拨动开关用于设定送料的长度;S为冲头行程开关,用于冲头落下再抬起时给单片机发出开始送料信号;MC1413为驱动器,以提供给光电耦合器发光二极管足够的工作电流;G为光电耦合器,以隔离强电对单片机的干扰;M为步进电机。 2 控制系统工作原理 该系统上电后,首先置初始状态,并从拨动开关中读取送料长度的设定值,经计算转换为步进电机的转动步数后存入RAM中,使其作为步数存贮器。确认冲头落下并抬起后,单片机发出脉冲信号,经功率放大,驱动步进电机转动。该系统用软件构成环形分配器,并自动进行升降速处理。当步进电机转动步数等于步数存贮器内的数值时,步进电机停止转动,等待下次冲头的落下后又抬起信号。程序框图如图2所示。
图2 单片机工作的程序框图 送料长度的调整,要求在断电状态下进行,通过扳动拨动开关来完成。 3 步进电机及其驱动(功放) 该装置选用了75BF003步进电机,3相、4A,步距角1.5°/3°,最大静转矩为0.882N*m,空载起动频率为1250Hz。
图3 斩波恒流功率放大电路 4 辊式送料机构 该机构工作原理如图4所示。后辊用45钢制造,外表面滚花,以增大摩擦力,确保送料精度。其中的下辊与步进电机的输出轴相连;上辊在弹簧作用力下压在废料及下辊上。前辊起张紧、定位作用,采用橡胶金属复合辊,并打光处理,以防损伤铝带料表面。这种机构简单、实用。
图4 辊式送料机构工作原理 5 特点 该单片机控制的冲床送料装置具有以下优点: |




