|
两线制4-20mA信号隔离器:(ISO 4-20mA) ISO 4-20mA电流环隔离芯片是单片两线制隔离接口芯片,该IC内部包含有电流信号调制解调电路、信号耦合隔离变换电路等。很小的输入等效电阻,使该IC的输入电压达到超宽范围(7.5—32V),以满足用户无需外接电源而实现信号远距离、无失真传输的需要。内部的陶瓷基板、印刷电阻工艺及新技术隔离措施使器件能达到3KVDC绝缘电压和工业级宽温度、潮湿、震动的现场恶劣环境要求。ISO 4-20mA系列产品使用非常方便无需外接任何元件即可实现4-20mA电流环隔离或信号一进二出、二进二出等变换功能。

两线制4-20mA信号隔离调理器:(ISO 4-20mA-P) ISO 4-20mA-P是一种两线制4-20mA 信号隔离调理器,属于SUNYUAN ISO 4-20mA系列的产品。 该IC内部包含有电流信号调制解调电路、信号耦合隔离变换电路等。很小的输入等效电阻,使该IC能够从传感器回路中采集到的信号电压达到超宽范围(7.5—32V),以满足用户无需外接辅助电源而实现信号远距离、无失真传输的需要。该IC输出是针对24VDC和取样电阻(或称负载电阻)相串联的二线制供电回路来设计的,同当前流行的模拟量输入接口板(上位机)、PLC、DCS或其他仪表的模拟量输入端口相匹配。 内部的陶瓷基板、印刷电阻工艺及新技术隔离措施使器件能达到3KVDC绝缘电压和工业级宽温度、潮湿、震动的现场恶劣环境要求。ISO 4-20mA-P产品使用非常方便,只需外接一个50KΩ的多圈电位器进行ADJ校正,即可实现两线制4-20mA信号的隔离、传输和变送功能或信号的一进二出、二进二出等变换功能。

两线制4-20mA信号隔离配电器:(ISO 4-20mA-F) ISO 4-20mA-F是一种两线制4-20mA 信号隔离配电器,属于SUNYUAN ISO 4-20mA系列的产品。 该IC内部包含有电流信号调制解调电路、信号耦合隔离变换电路,还有一个高效率的DC-DC电路等。该IC为两线制配电器配电16V~21.5V,方便了一些两线制传感器的信号测量、远传、隔离等功能。该IC输出是针对24VDC和取样电阻(或称负载电阻)相串联的二线制供电回路(现场防爆功能)来设计的,同当前流行的模拟量输入接口板(上位机)、PLC、DCS或其他仪表的模拟量输入端口相匹配。 内部的陶瓷基板、印刷电阻工艺及新技术隔离措施使器件能达到3KVDC绝缘电压和工业级宽温度、潮湿、震动的现场恶劣环境要求。ISO 4-20mA-F产品使用非常方便,无需外接任何器件即可实现两线制4-20mA信号的隔离、传输和变送功能。

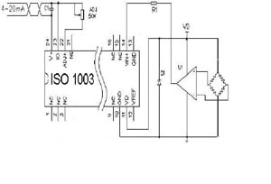
两线制4-20mA信号隔离变送器:(ISO 1003) 两线制4-20mA信号隔离变送器(ISO 1003)是单片两线制隔离接口芯片,该芯片内部包含有一个电流信号调制电路,光电耦合隔离变换电路及解调电路。 该芯片有4-20mA的供电电压范围宽(16.5V-36V),输入等效电阻小,线性度高等特点。该芯片可提供5V/3.5mA的隔离电压输出、2.5V基准电源。输入信号的电压为0-0.8V,相对应输入侧信号路中电流的变化。输入及输出侧宽爬电距离及内部特殊绝缘的隔离措施使该芯片可达到3KVDC绝缘电压。

|
|