|
1、电气功能简述 本机根据机构分布电气驱动和控制系统分别设有上小车起升1,上小车起升2,下小车起升3,平移机构有上小车行走、下小车行走、大车钢性腿行走、大车柔性腿行走。 各大机构的驱动都采用交流变频传动,变频器采用YASKAWA的G7系列。变频调速系统采用带制动电阻的形式,就是把下降时的位能和制动时的能量消耗在电阻上。 控制系统采用可编程控制器(PLC)集中控制和起重机监控系统,PLC采用美国通用公司(GE)的VersaMax系列。 本机电气设备分别布置在电气房、司机室等,各机构的操作均可在司机室内完成,起重机监控系统可对起重机的运行情况跟踪显示和记录。
2、供电装置 供电方式由电缆卷筒将 3P 380V 50Hz的交流电源引至起重机上,电缆卷筒设有卷缆终止限位。
3、电气控制系统 3.1 三台55KW起升电机带有脉冲编码器和超速开关, 脉冲编码器用于构成 闭环矢量控制, 超速开关用于电机的超速保护. 四台5.5KW上小车电机中有一台带有脉冲编码器, 脉冲编码器用于构成带PG的V/f闭环控制,提高上、下小车抬吊行走时的同步性. 下小车11KW电机带有脉冲编码器, 脉冲编码器用于构成带PG的V/f闭环控制, 提高上下小车抬吊行走时的同步性. 钢性腿两台15KW的电机其中有一台带有脉冲编码器, 脉冲编码器用于构成带PG的V/f闭环控制,提高钢、柔腿的同步性. 柔性腿两台15KW的电机其中有一台带有脉冲编码器, 脉冲编码器用于构成带PG的V/f闭环控制, 提高钢、柔腿的同步性.
3.2 驱动器
3.2.1 起升1--3驱动器 采用YASKAWA的CIMR-G7A4075,带 。 额定电流:165A 最大电流:165AX1.5 1分钟 包括:负荷开关 主接触器 输入电抗器 制动单元 PG—B2卡 操作界面 说明: 速度控制:上升、下降各四个档位,在联动台上设置“额定速/倍速”选择开关,供起重量小于40%额定载荷时倍速运行。电机在0~50Hz为恒力矩控制,50~100Hz为恒功率控制。 制动控制:提供制动器和控制功能,除急停之外,为零速制动。在松开制动器前确认传动机构已产生足够的转矩,然后才打开制动器。以防止开车时的“溜钩”。 限位开关控制:速度控制和限位开关检测相互结合。
3.22 平移机构 上小车行走变频器 CIMR-G7A4030 额定电流:65A 最大电流:65AX1.5 1分钟 下小车行走变频器 CIMR-G7A4015 额定电流:34A 最大电流:34AX1.5 1分钟 刚性腿大车变变频器 CIMR-G7A437 额定电流:80A 最大电流:80AX1.5 1分钟 柔性腿大车变变频器 CIMR-G7A437 额定电流:80A 最大电流:80AX1.5 1分钟 制动控制:零速制动,急停为立即制动.
4、小车行走机构工作原理:
4.1.1 机械要求:在上小车的四台驱动装置中, 要求其中有一台5.5KW的变频电机自带光电编码器, 编码器的型号及参数与安川变频器的PG—B2速度控制卡配套.下小车11KW的变频电机自带光电编码器, 编码器的型号及参数与安川变频器的PG—B2速度控制卡配套.
4.1.2 小车运行机构的控制方式采用“带PG的V/f控制”, 光电编码器的脉冲信号直接进入变频器的PG—B2速度控制卡,供变频器进行速度控制, 在上、下小车架上还各安装了一个从动检测轮检测每台小车在轨道上行走的距离,并将与距离相应的脉冲信号传输给PLC ,每一个脉冲对应小车在轨道上行走了1mm, 为便于叙述两台小车并车运行时小车同步的问题,将上小车脉冲信号用VXP1# 表示, 下小车的相应脉冲信号用VXP2# 表示.
4.1.3 两台并车运行时,将上小车作为主参考, 下小车作从动控制.
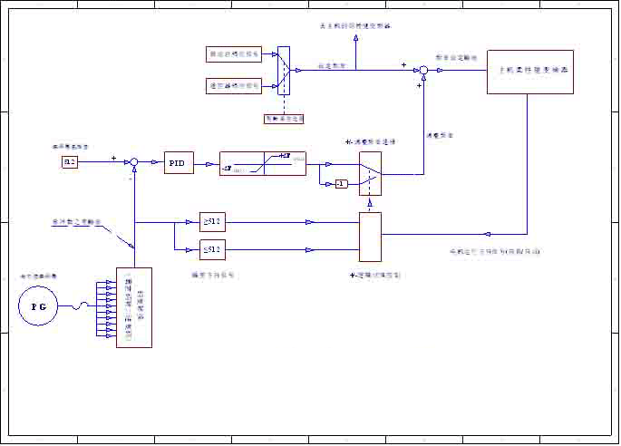
4.14 小车并车时同步控制原理: 当小车并车工作时,PLC实时测量上小车检测轮发出的脉冲数和下小车检测轮发出的脉冲数,PLC实时计算它们的脉冲数之差,在PLC内部进行PID运算(及比例+积分+微分运算),运算结果实时去调整下小车变频器的设定频率,使脉冲数之差始终为零或控制在一个很小的范围内. 下小车的速度控制流程图如下:

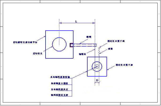
5、大车运行机构工作原理: 5.1 该门式起重机大车采用4台15KW变频电机驱动,其中钢性腿2台,柔性腿2台,由于该起重机在机械设计上支腿与主梁的连接采用了一个柔性铰支座连接,因此电器上为便于纠偏采用了分散传动控制方式,即一台变频器控制钢性腿的2台变频电机,另一台变频器控制柔性腿的2台变频电机。为了提高大车纠偏的动态响应速度及精度,钢性腿和柔性腿两台变频器都采用“带PG速度卡”的闭环控制模式。因此要求钢性腿的2台变频电机中有一台自带增量型光电脉冲编码器,柔性腿的2台变频电机中也有一台自带增量型光电脉冲编码器,它们发出的脉冲信号分别给各自变频器的PG—B2速度控制卡,以构成 各自的速度闭环控制。 此可以称为下同步(对钢腿或柔腿是闭环控制,而对整个起重机大车行走而言是开环控制)。 5.2 为了提高该双主梁门式起重机大车运行的可靠性及安全性,防止柔性铰支座转动角度过大,造成钢结构的损伤,因此必须实时测量铰支座的转动角度,实时判断每一时刻的转动角度是否在允许范围之内,(通常只允许钢性腿和柔性腿行走的距离之差在±3‰跨度内)并实时纠偏。此角度的测量值应是绝对角度值,而不是角度变化量,不会因停电而丟失角度值,因此必须安装绝对值编码器,鉴于国产的1024/每转 的绝对值编码器产品质量还不稳定,容易产生误码等原因,因此建议采用进口(或合资)产品,如日本光洋、德国海德汉、 倍加福等,以保证电气控制的可靠性。 5.3 柔性铰支座转动角度测量原理: 首先在柔性腿放置铰支座的平台上焊接一跟小号的槽钢,槽钢中心线的延长线要求经过铰子座的中心,槽钢的另一自由端固定一根细钢丝(要求无弹性,如测量专用钢丝绳),钢丝的另一端固定在一个测量转动角度的小圆盘上,圆盘的中心固定在一只绝对值光电编码器的转轴上,光电编码器又经连接支架固定在主梁底端,设铰支座的中心到槽钢自由端的钢丝绳端距离为L(m),小圆盘的直径为D(mm),绝对值编码器参数为1024/每转,当铰支座转动了θ角度(弧度)后,绝对值编码器的数值变化为ΔD,经计算得出: ΔD=(θ*L*1000*1024)/(πd)通常小圆盘的周长πd=100mm、L=2m,现假设钢性腿和柔性腿行走的距离之差为此36mm(即为门机跨度的1‰),由高等数学知识:当θ角很小时有tgθ≈θ,因此铰支座转动的角度θ=1‰弧度,将此带入上述等 式得ΔD=20个变化字。 由此可见测量装置的测量精度是足够的。 测量装置示意图如下:

5.4 上纠偏工作原理: 该门式起重在机械安装结束后,电气设备在投入工作前,应对柔性铰支座处的绝对值编码器的初始值进行标定。过程如下:首先机械安装上确保此时主梁是与大车两端轨道是垂直的,即此时柔性腿既不超前钢性腿又不滞后钢性腿,是标准的零偏差位置。然后调整绝对值编码器的转轴角度,使此时的角度值为512,为便于叙述方便假设当大车向右行走时,当柔性腿的行走距离多于钢性腿的行走距离时,绝对值编码器的数值变得大于512.(即当绝对值编码器的数值大与512时,主梁柔性腿端是右偏的;当绝对值编码器的数值变得小于512时,这说明此时主梁柔性腿端是左偏的) PLC 实时读取绝对值编码器的数值,并判断主梁柔性腿相对与钢性腿是左偏了还是右偏了,当柔性腿是左偏时且大车是向左行驶时,此时PLC调慢柔性腿变频器的速度,直到编码器的数值为512,停止调整;如大车是向右行驶的,则PLC调快柔性腿变频器的速度,直到编码器的数值为512,停止调整;当柔性腿是右偏时,调整原理同上。这样可以使绝对值编码器的数值始终为512,即主梁不发生偏斜,达到实时纠偏的目的。 ±3‰(对应108mm)报警值的设置,经计算3‰偏斜时,绝对值编码器的变化量为ΔD=60,所以当PLC检测到绝对值编码器的数值大于572(512+60)或小于452(512-60)时,联动台上的蜂鸣器报警、大车自动减速停止,同时联动台上的左偏指示灯或右偏指示灯点亮,此时将禁止大车钢、柔腿联动运行,司机可通过联动台上的大车工作模式选择开关选择柔腿单动模式或钢腿单动模式,慢速点动调整其中一只腿的行走距离,使绝对值编码器的数值调整回到452-572之间,然后再将大车的工作模式选择开关选择到联动状态继续工作。此称为手动纠偏。 5.5 为了提高大车的测量精度和控制精度,大车在控制方案上也可以在刚性腿和柔性腿上各安装一个直径600mm的检测轮,在检测轮上也安装单圈绝对值编码器,其信号也进入PLC进行读取、转换、差值计算、偏差调整控制。该方案测量精度高、不怕掉电。这样一来大车就有两套纠偏系统,提高了大车运行的可靠性。
大车控制流程图如下:

6 起升机构工作原理: 为了增大起升机构的调速比,杜绝重载时溜钩的发生,因此起升机构采用带PG速度卡的矢量控制,电机在零速度时也可以得到150%的额定转矩输出。 如超载限制器设置了40%载荷(轻载)触点输出时,当吊重小于40%额定载荷时,此时如想提高工作效率可以将联动台上的起升选择开关从额定速转换到倍速运行,起升速度可以达到2倍的额定速度,此时变频电机以100Hz运行,电机工作在恒功率状态. 7、 该机在联动台上还安装了触摸屏,以便于司机及时了解各种电气状态。 在司机室安装有三合一的超载保护限制器,有各自吊重超载保护,也有三吊钩吊重总和保护,上小车吊重差值保护。每个吊钩还有40%欠载报警触点输出。 8、结束语 大型门机的电气控制有很多,在设计方案的时候要依据实际情况而定。使其最大限度地发挥性能。更好地为起重机的发展服务。
|
|