一种由ABB公司S系列塑壳开关实现的400V备自投配电系统
摘要:本文介绍了一种由ABB塑壳开关及其电动操作机构实现的低压400V备自投配电系统,该系统采用ABB公司SACE Isomax S系列低压塑壳开关及其电动操作机构来实现,二次回路由静态低电压继电器及接触器时间继电器组合构成,有效的防止了开关的拒动、误动及电源进线的倒送电、电压短时并列等问题。
关键词: ABB公司S系列低压塑壳开关 S系列开关电动操作机构 静态低电压继电器 低压备自投配电系统
1 引 言
随着现代科学技术的发展,电力用户对电能质量的要求越来越高,促使变电站(所)等供配电部门对供电的连续性提出更高的要求,因而对提高变电站(所)自身安全运行的低压所用电配电系统的可靠性更显重要。通常变电站的低压所用电系统设计为双电源进线,35KV及以下变电所常采用一主一备运行方式;而110KV及以上变电站常设计为单母线分段双电源备自投运行方式。同时,鉴于110KV变电站的所用低压电负荷较大,一般在400A以上,故在常规的设计中常采用DW15、ME等高分断能力的框架式开关来实现。而这种形式的开关往往需要专门的低压配电间隔。所以,采用框架式开关设计的110KV及以上变电站的低压所用电系统,占地面积大,设备投资费用高。
随着采用ABB公司S系列大容量、高分断低压塑壳开关的出现,以及与此低压塑壳开关配套的电动操作机构的应用,使得采用低压塑壳开关进行低压备自投配电设计成为可能。该配电系统可以方便的与二次保护设备排放在一起,因而节约了安装空间,大大减少了设备投资成本。
本文介绍了一种由ABB公司S系列塑壳开关实现的400V备自投配电系统,该系统采用ABB公司SACE Isomax S系列低压塑壳开关+ 电动操作机构以及静态低电压继电器来实现,占用空间小、易于组屏,电器性能优越。经试用,运行效果良好。
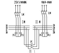
2 低压备自投配电系统的一次回路 本备自投配电系统一次方案采用双电源进线,一路由35KV所变进线,一路由另外的变电所供电。一次示意图如图1:
2.1一次回路概述
一次回路的连接方式 两路进线均采用电缆上进线引入,分别连接到S系列塑壳开关1JK、2JK的上端,经S系列塑壳开关连接到I段、 II段母线上,I段、 II段母线之间亦采用S系列并装有电动操作机构的塑壳开关LK进行联络。
一次回路的运行原则 正常运行时,1JK、2JK均在合位,两段母线分裂运行,且LK无法进行合闸操作;当任一母线失压时,则先自动断开其对应的进线S系列塑壳开关(防止倒送电),再自动合上联络S系列开关LK;当事故线路恢复正常时,可手动将进线开关合上(亦可设计为自动合上该进线开关),此时,联络开关LK应先于进线开关自动跳开,以防止两进线电源并列运行。
2.2 一次元件的选择
鉴于本设计的目的是简化一次系统、降低设备成本、增强设备可靠性及方便维护,因而一次元件的选择相当关键。考虑到系统的可靠性及今后的维护,本方案采用ABB公司S系列塑壳开关及其电动操作机构。其中,1JK、2JK选用手动操作机构(亦可设计为电动操作机构),LK选用电动操作机构。
该设计方案一次电流适用范围225A-1600A,短路分断能力适用范围35KA-100KA。
3 低压备自投配电系统的二次回路 3.1 二次回路原理图
本方案二次回路电源为方便起见选用交流220V不间断电源供电。
3.1.1 1#进线控制原理图设计
1#进线控制原理图如图2,正常运行时,进线开关1JK、2JK 处于合位,1ZJ失电;当1#进线失压时,低电压继电器2YJ动作,2YJ常闭点闭合,启动1ZJ中间继电器,先行跳开1JK进线开关。同时,发出信号并去合上联络开关LK(见联络开关控制原理图)。
3.1.2 联络开关控制原理图设计
联络开关控制原理图如图3,
其中,KK为手动、自动转换开关,当置于手动位置时,有手动按钮控制联络开关的开合。正常时,置于自动位置。当进线开关1JK跳开时,其辅助常闭触点1JK闭合,启动联络开关合圈HQ,联络开关自动合闸。其中,1ZJ延时闭合常开接点用来保证先断开1JK后合上LK开关。
当1JK、2JK同时处于合位,由1JK、2JK的常闭点保证联络开关LK无法进行合闸操作。当有任一条进线开关处于合位时,如对另一条进线开关进行合闸操作,此时,有1JK、2XJ常开触点保证联络开关先行跳开。其中,1XJ、2XJ的延时闭合触点用来保证进线开关防跳。
3.1.3 2#进线开关控制原理图设计
2#进线控制原理图如图4,其控制过程如进线开关1JK,在此不再累述。
3.2二次元件的选择
鉴于二次控制回路的可靠性,对于实现系统功能保障系统安全运行至关重要。因而,二次元件的选择应特别慎重。本方案对于关键元件1YJ、2YJ采用静态低电压继电器,1ZJ、2ZJ、1XJ、2XJ采用接触器时间继电器组合。
4 结束语 基于ABB公司SACE Isomax S系列低压塑壳开关+ 电动操作机构为核心的400V低压备自投所用电配电系统,经2004年6月在某220KV变电站试运行以来,系统稳定,自动切换可靠。同时,较之与微机备自投装置实现的低压备自投配电系统,大大节约了设备投资成本。实用效果良好,实际应用前景广阔。
参考文献
1 《电力工程电气设计手册》中国电力出版社
2 ABB公司SACE Isomax S系列低压塑壳开关技术资料
|




