时光伺服系统应用在阳光自动跟踪系统中
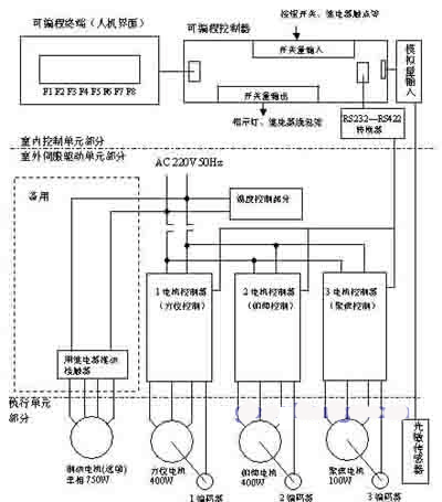
| 1、项目要求 此项目的目的是用聚焦的阳光照射加有催化剂的水,分解出氢气和氧气。从而得到燃料电池所需的氢气。这种用阳光的催化方法和催化剂的成分组成是用户的研究课题。 2、设备介绍 本控制装置与一次反射镜、二次聚焦镜的机械结构结合,通过本控制装置进行一次反射镜的方位、俯仰的角度调整、二次聚焦镜与焦点间的距离调整。在二次聚焦镜箱体的4边装有4个光敏传感器接至控制单元。经程序的处理,能使机械结构(一次镜面)进行阳光自动跟踪。 装置简述:以可编程控制器、可编程终端等组成控制单元的硬件。由运行的软件程序,实现通讯、控制功能。并且,通过文字提示进行操作和显示。 以交流伺服控制器等组成伺服单元的硬件。由运行的软件程序,接收 指令、驱动机构上的交流异步电机实现精确的位置、速度控制。 温度控制器能保证放置在室外的伺服驱动单元箱体内的冬季时的工作 温度。(另外,作为备用选项功能,装有制动器控制部分,能控制机 构上的制动器的紧锁和解锁。) 动作范围:一次反射镜 方位 90°(东)~270°(西) 俯仰 0°(俯)~90°(仰)[实际值与机构和限位对应] 二次聚焦镜 行程约100 mm [实际值与机构和限位对应] 动作方式: ⑴阳光跟踪:光敏传感器检测的自动跟踪方式。 ⑵步进操作:选择步进距后,单键操作,按1次键,方位或俯仰运动1步。(方位、俯仰和二次反射镜的步距分挡不同) ⑶启停操作:选择电机转速后,单键操作,按1次键,开始运转、再按1次同一个键停止运转。(方位、俯仰和二次反射镜的速度分挡不同) 限位保护:设有限位开关和极限开关。 控制精度:与电机同轴装有2500线(即转一圈发出2500个脉冲)的编码器,作为位置及速度的传感器。方位轴经减速器(168×600)后,1′间距对应46667个脉冲。俯仰轴经减速器(168×900)后,1′间距对应约70000个脉冲。伺服控制将编码器的信息按4倍频(10000脉冲/转)进行数据处理。而且,其位置控制精度达±1个脉冲。 报警提示:制动器状态及限位开关监视,异常时有文字提示。(备用选项)交流伺服控制器监视,异常时有文字提示。 限位和原点传感器监视,异常时有文字提示。 3、控制方案 ![]() 4、工作原理 室内控制单元、室外伺服驱动单元、异步电机及反馈单元构成系统。通过室外伺服驱动单元使异步电机按照指令动作,以完成一次反射镜的方位、俯仰角度调整和二次聚焦镜的距离调整。(备用的制动器控制部分完成制动器的解锁、紧锁工作)。安装在电机上的反馈单元(编码器)作为交流伺服控制的反馈信息。 安装在方位、俯仰和聚焦机构上的6个限位开关(接近开关)也是作为反馈元件,起着相应的重要作用。在机构上的触片(定位螺丝钉)到达限位开关的位置时,机构将不能沿此方向继续转动,只能反向转动。 在二次镜箱体下方的东西南北各边,共装有4个光敏传感器,接至室内控制单元。东西2侧的光敏传感器为1组,作为方位自动跟踪的检测元件。南北2侧的光敏传感器为1组,作为俯仰自动跟踪的检测元件。经控制单元及伺服驱动单元中程序的处理,能使机械结构(一次镜)进行阳光自动跟踪。 方位、俯仰机构上安装了4个极限开关。当机构上的触盘使任一个或二个极限开关改变信号状态时,都会关断3台交流伺服控制器的电源。这种情况一般不会发生,因为限位开关是在极限开关之前起作用。极限开关是最外一层保护。 软件在实现装置的各种功能中起着非常重要的作用。本装置的软件有可编程控制器的程序、可编程终端的程序和交流伺服控制器(3台)的程序。这5部分程序分别担负着人机介面、数据处理、动作控制以及状态监视等各类作用。本装置安装的软件适于北半球(因在方位操作中有向东、西方向的运行)。 温度控制部分是保证在极低温度时伺服控制器能正常运行。由温度传感器、温度调节器和加热器组成。温度调节器是可设定上、下限的3位式调节形式。加热器为埋入式陶瓷远红外辐射元件(220V 300W)。 另外、还有一个接近开关用于方位的原点检测。只在原点复归的操作时,作为方位的原点信号。其它时候不起作用。 5、可编程控制器与伺服控制器的连接和通讯 连接如图所示 ![]() 由422通讯,可编程控制器实时读取伺服位置值(4字节)和状态(1字节)。依操作选择,向伺服发送指令代码(和指令位置值)。同时发出开关量启动信号。 |


