基于永宏PLC的口服液自动称重灌装系统
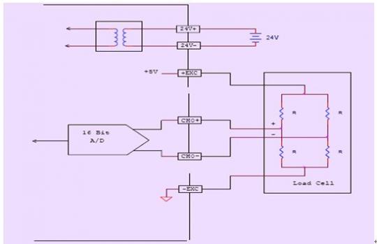
口服液称重灌装工序是口服液生产的重要环节,灌装量的多少直接影响产品的品质。原口服液的生产工序大多是人工灌装,抽样称重的方式。由于整个过程均由人工完成,工人劳动强度大,效率低,且受人为因素影响,时有口服液剂量不一,漏检等发生。鉴于以上因素,我们设计了自动控制系统,用于自动称重灌装。永宏FBS-1LC称重模块为16位解析度荷重模块,具有高可靠性,同时具有高性价比优势,适合大批量的设备装备或改造。
![]() 概述 实施方案 ![]()
![]()
称重功能的实现 ![]()
![]()
|

基于永宏PLC的口服液自动称重灌装系统
|
COPYRIGHT(C) 2011 厦门永宏亚得机电科技有限公司版权所有(闽ICP备05025945号) ALL RIGHTS RESERVED?
电话: 0592-5190891 传真: 0592-5190720 E-Mail: E-mail:yade8895@163.com
地址: 厦门市海沧区兴港六里17号2607室
邮编:361009 联系人:翟先生