永宏PLC在弯管机中的应用
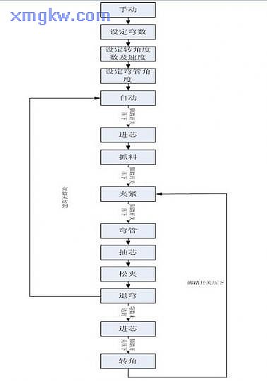
一、 设备简介 ![]() 上图:设备外形 二、系统架构 主要产品功能规格 (1) 控制器:永宏FBs-40MCT主机,24点DI,16点DO晶体管输出,脉冲频率达200KHZ; (2) 伺服:使用脉冲+方向对伺服进行控制; (3) 通过中继控制液压缸动作; (4) 人机界面:通过RS232以永宏协议与永宏PLC进行通信。 系统结构: 核心部分,永宏PLC作为控制器,承担着信号采集、处理,输出的任务; 上位部分,人机介面通过port0与PLC通讯,可对设备进行操及工作参数的调整,同时监控当前状况; 下位部分,主要是通过PLC高速脉冲输出来控制伺服电机进行转角,通过高速计数来控制液压弯管的角度。 ![]() 图1:系统架构图 I/O配置 ![]() 三、工作流程 在手动状态下设定参数:每个弯的转角角度、速度和弯管角度及弯数;然后归零完了后按“自动”按钮,最后按脚踏开关起动,具体流程如下: ![]() ![]() 四、结束语 永宏PLC以它的高精度、高稳定性及超高的性价比,使其在弯管机行业中得 到广泛的应用;此自动弯管机使用永宏PLC作为控制核心,使其稳定性及弯管的的精度有大大的提高。 作者:王远东 |





