恒压供水
一项目介绍:
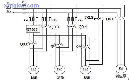
1. 项目工艺介绍 现在使用恒压供水系统,密闭的水池在地下,主要是为急需大量用水的缓冲使用,所以一般都会从深井取水大概160M流量和扬程一般根据楼层的高度来选择。 本次文章中的泵站供水中可完成以下功能:(1)维持水压恒定;(2)控制系统可手动/自动运行;(3)多台泵自动切换运行;(4)系统睡眠与唤醒。当外界停止用水时,系统处于睡眠状态,直至有用水需求时自动唤醒;(5)在线调整PID参数。 恒压供水系统一般由两至三台主泵和一台辅佐泵组成,当用水量很少或没有用水时,只开动辅佐泵即可;当管网的实际压力经反馈后与给定压力进行比较,当管网压力不足时,变频器增大输出频率,增加水泵 转速加快,满足用水增大的需要,迫使管网压力上升。当管网的压力变大或超高时,系统自动减泵或降低抽水的速度。为了很好的控制用水,除了在给小区供水外,还有针对消防用水做出了分解。在这次项目中是利用消防开关来控制,当消防开关 没有接通时设定生活用水是0.6给PID中的设定值,也就是生活用水为60%。但是当消防开关闭合后给定PID中的设定值为0.8%,消防用水为80%,因为消防用水量比较多所以设定为80%。 2. 项目应用的产品: 二,控制系统的构成 2. 本项目主要是利用一台变频器来控制三台电机如下图所示 以下是恒压供水系统的分配 ![]()
![]() 以上就是在做这次恒压供水系统中的组织构架,现在我给大家分享一下关于利用永宏PLC主要完成了哪些功能。 在这次项目中利用永宏内部的PID来控制,永宏PLC FBs系列中有两种PID ,一种是针对温度控制的PID,另一种是泛用PID运算。 永宏提供的泛用PID运算控制功能,可以将由模拟量输入(AI)读取的当前值(PV),与使用者所设定值(SV),已使用者所指定的比例带(P),积分常数(I),微分常数(D)作PID运算后,得到适宜的输出控制值,再借由模拟量输出(AO)以控制受控程序维持在使用者所期望的设定值范围内,可使用于任何需要平顺,快速,精准,诸如马达的加减速,流量,压力,准位等控制应用。所以在这次的恒压供水系统中使用泛用PID时来控制压力,比例带和积分系数尤为重要,但是利用经验法来调节又很麻烦,所以永宏有一组针对比例积分微分的参数,是用来专门对PID调节的参数,所以更为方便调节,并且可以达到所需要的要求。除了PID的控制和一些逻辑控制外,利用永宏通讯功能的强大,和变频器传送数值以及显示变频器的频率,并且利用我们永宏内部的ModBus表格来做通讯来做更为方便结合我们的P0RT2口高速联机。因为永宏的PLC最多可以扩展5个通讯端口,利用P0RT2的RS485界面,可做永宏PLC间多达254台的高速LINK,最高通讯速度可达921.6Kbps,在这次的项目中永宏一般的通讯端口也是可以满足正常的通讯的。 还有在恒压供水中比较难把握的就是压力的调节,如果压力没有调节好设定的压力太大,对整个恒压供水系统来说没有起到节能的作用。所以一般现在5层高的楼层一般的压力差不多为0.5MP。 本次文章对恒压供水系统作出了概述并介绍了一下永宏的PLC的一些特点。以下是恒压供水系统中水箱的图片 ![]() ![]() 以上图片中的红色部分是供水机组 由于本次文章用永宏的PLC来做得,利用永宏的PLC 来做恒压供水的系统不过在使用永宏的PLC时做一些通讯还是比较方便的,在进行通讯的时候可以用内部的一些缓存器进行监视并作修改,而且指令简单易学,无论是处理一些比较复杂的程序还是其他的都可以轻松找出问题的所在,在此并做出以上一些利用永宏的PLC对恒压供水系统做出了概述。 |





