PLC的配线——电源接线、接地、I/O接线及对扩展单元的接线等
PLC的配线主要包括电源接线、接地、I/O接线及对扩展单元的接线等。
(1)电源接线与接地
PLC的工作电源有120/230V单相交流电源和24V直流电源。系统的大多数干扰往往通过电源进入PLC,在干扰强或可靠性要求高的场合,动力部分、控制部分、PLC自身电源及I/O回路的电源应分开配线,用带屏蔽层的隔离变压器给PLC供电。隔离变压器的一次侧最好接380V,这样可以避免接地电流的干扰。输入用的外接直流电源最好采用稳压电源,因为整流滤波电源有较大的波纹,容易引起误动作。
良好的接地是抑制噪声干扰和电压冲击保证PLC可靠工作的重要条件。PLC系统接地的基本原则是单点接地,一般用独自的接地装置,单独接地,接地线应尽量短,一般不超过20m,使接地点尽量靠近PLC。
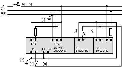
² ² 交流电源接线安装如图42所示。说明如下:
1用一个单极开关a将电源与CPU 所有的输入电路和输出(负载)电路隔开。
2用一台过流保护设备b以保护CPU 的电源输出点以及输入点,也可以为每个输出点加上保险丝。
3当使用Micro PLC 24VDC 传感器电源c时可以取消输入点的外部过流保护,因为该传感器电源具有短路保护功能。
4将S200 的所有地线端子同最近接地点d相连接以提高抗干扰能力。所有的接地端子都使用14 AWG或1.5mm2 的电线连接到独立接地点上(也称一点接地)。
5本机单元的直流传感器电源可用来为本机单元的直流输入e,扩展模块f,以及输出扩展模块g供电。传感器电源具有短路保护功能。
6在安装中如把传感器的供电M端子接到地上h可以抑制噪声。
² ² 直流电源安装如图43所示。说明如下:
1用一个单极开关a,将电源同CPU 所有的输入电路和输出(负载)电路隔开。
2用过流保护设备b、c、d,来保护CPU 电源、输出点,以及输入点。或在每个输出点加上保险丝进行过流保护。当使用Micro 24VDC 传感器电源时不用输入点的外部过流保护。因为传感器电源内部具有限流功能。
3用外部电容e来保证在负载突变时得到一个稳定的直流电压。
4在应用中把所有的DC 电源接地或浮地f(即把全机浮空,整个系统与大地的绝缘电阻不能小于50兆欧)可以抑制噪声,在未接地DC 电源的公共端与保护线PE之间串联电阻与电容的并联回路g ,电阻提供了静电释放通路,电容提供高频噪声通路。常取R=1M ,C=4700pf。
5将S200 所有的接地端子同最近接地点h连接,采用一点接地,以提高抗干扰能力。
624V 直流电源回路与设备之间,以及120/230V交流电源与危险环境之间,必须进行电气隔离。
![]() 图42 120/230V交流电源接线
![]() 图43 24V直流电源的安装
(2)I/O接线和对扩展单元的接线
可编程控制器的输入接线是指外部开关设备PLC的输入端口的连接线。输出接线是指将输出信号通过输出端子送到受控负载的外部接线。
I/O接线时应注意:I/O线与动力线、电源线应分开布线,并保持一定的距离,如需在一个线槽中布线时,须使用屏蔽电缆;I/O线的距离一般不超过300m;交流线与直流线,输入线与输出线应分别使用不同的电缆;数字量和模拟量I/O应分开走线,传送模拟量I/O线应使用屏蔽线,且屏蔽层应一端接地。
PLC的基本单元与各扩展单元的连接比较简单,接线时,先断开电源,将扁平电缆的一端插入对应的插口即可。PLC的基本单元与各扩展单元之间电缆传送的信号小,频率高,易受干扰。因此不能与其他连线敷设在同一线槽内 |


