PLC 数字量输入电路的形式
摘要:本文主要分析了数字量输入时PLC内部电路常见的几种形式,并结合传感器常见的NPN和PNP输出,给出了和不同的PLC电路形式连接时的接线方法。
Summary: This article has mainly analyzed several internal circuit forms of PLC digital input module, and unified common NPN and PNP outputs of sensors, has given wiring method to different input circuits of PLC.
关键词:PLC 源输入 漏输入 NPN输出 PNP输出
Key Words: PLC Source-input Sink-input NPN-output PNP-output
1 引言
PLC 控制系统的设计中,虽然接线工作占的比重较小,大部分工作还是PLC 的编程设计工作,但它是编程设计的基础,只要接线正确后,才能顺利地进行编程设计工作。而保证接线工作的正确性,就必须对PLC 内部的输入输出电路有一个比较清楚的了解。
我们知道,PLC 数字输入模块为了防止外界线路产生的干扰(如尖峰电压,干扰噪声等)引起PLC 的非正常工作甚至是元器件的损坏,一般在PLC 的输入侧都采用光耦,来切断PLC 内部线路和外部线路电气上的联系,保证PLC 的正常工作。并且在输入线路中都设有RC 滤波电路,以防止由于输入点抖动或外部干扰脉冲引起的错误信号。
2 输入电路的形式
2.1 分类
PLC 的输入电路,按外接电源的类型分,可以分为直流输入电路和交流输入电路;按PLC 输入模块公共端(COM 端)电流的流向分,可分为源输入电路和漏输入电路;按光耦发光二极管公共端的连接方式可分为共阳极和共阴极输入电路。如下图1所示:
图1 PLC输入电路的分类
2.2 按外接电源的类型分类
2.2.1 直流输入电路
图2 为直流输入电路的一种形式(只画出一路输入电路)。当图1 中外部线路的开关闭合时,PLC 内部光耦的发光二极管点亮,光敏三极管饱和导通,该导通信号再传送给处理器,从而CPU 认为该路有信号输入;外界开关断开时,光耦中的发光二极管熄灭,光敏三极管截止,CPU 认为该路没有信号。
图2 直流输入电路
2.2.2 交流输入电路
交流输入电路如图3 所示,可以看出,与直流输入电路的区别主
要就是增加了一个整流的环节。
交流输入的输入电压一般为AC120V 或230V。交流电经过电阻R的限流和电容C的隔离(去除电源中的直流成分),再经过桥式整流为直流电,其后工作原理和直流输入电路一样,不再缀述。
![]() 图3 交流输入电路
从以上可以看出,由于交流输入电路中增加了限流、隔离和整流三个环节,因此,输入信号的延迟时间要比直流输入电路的要长,这是其不足之处。但由于其输入端是高电压,因此输入信号的可靠性要比直流输入电路要高。一般,交流输入方式用于有油雾、粉尘等恶劣环境中,对响应性要求不高的场合,而直流输入方式用于环境较好,电磁干扰不严惩,对响应性要求高的场合。
2.3 按流入公共端电流的流向分类
2.3.1 漏型输入电路
漏型输入电路如图4所示,此时,电流从PLC 公共端(COM端或M端)流进,而从输入端流出,即PLC 公共端接外接DC电源的正极。
[ ![]() 图4 漏型输入电路
此图只是画出了一路的情形,如果输入有多路,所有输入的二极管阳极相连,就构成了共阳极电路。如图5所示。
![]() 图5 共阳极电路
三菱A系列PLC的AX40/41/42/50/60及Q系列的QX40/41/42等输入模块均属于漏型输入模块。
2.3.2 源型输入电路
图3所示的电路也是源型输入电路的形式,此时,电流的流向正好和漏型的电路相反。源型输入电路的电流是从PLC的输入端流进,而从公共端流出,即公共端接外接电源的负极。
如果所有输入回路的二极管的阴极相连,就构成了共阴极电路,如图6所示:
![]() 图6 共阴极电路
三菱A系列PLC的AX80/81/82及Q系列的QX80/81的输入模块均属于此类输入电路。
2.3.2 混合型输入电路
因为此类型的PLC 公共端既可以流出电流,也可以流出电流(既PLC公共端既可以接外接电源的正极,也可以接负极),同时具有源输入电路和漏输入电路的特点,所以我们可以姑且把这种输入电路称为混合型输入电路。其电路形式如图7所示。
![]() 图7 混合型电路
作为源输入时,公共端接电源的负极;作为漏输入时,公共端接
电源的正极。这样,可以根据现场的需要来接线,给接线工作带来极大的灵活。
三菱A系列PLC的AX50-S1/60-S1/70/71/81-S1及Q系列的QX70/71/72。
这里需要说明的是,三菱和SIEMENS关于“源输入”和“漏输入”电路的划分正好相反,以上是按三菱的划分方法来介绍的,这点在使用过程中要注意。
SIEMENS S7-300/400系列PLC的直流输入模块大多为漏型输入(公共端接外部电源的负极。注:按SIEMENS的划分方法)。在S7-300系列PLC中,只有SM321(-IBH50-)输入模块为源输入(公共端接正。注:按SIEMENS的划分方法),S7-400系列PLC中则没有源输入模块。小型PLC S7-200的输入模块则全部为混合型输入形式。在大的项目中不建议使用,因此种输入形式虽然接线方便,但容易造成电源的混乱。
3 外接开关量信号和PLC输入电路的连接
PLC外接的输入信号,除了像按钮一些干节点信号外,现在一些传感器还提供NPN和PNP集电极开路输出信号。干节点和PLC输入模块的连接比较简单,这里主要不再缀述。而对于不同的PLC输入电路,到底是使用NPN输入还是PNP输入有时感到无所适从。下面主要介绍一下这两种输入和PLC输入电路的连接。
3.1 NPN和PNP输出电路的形式
如图8和图9所示,分别是NPN和PNP输出电路的一种形式。
![]() 图8 NPN集电极开路输出 图9 PNP集电极开路输出
从图8和图9可以看出,NPN集电极开路输出电路的输出OUT端通过开关管和0V连接,当传感器动作时,开关管饱和导通,OUT端和0V相通,输出0V低电平信号;PNP集电极开路输出电路的输出OUT端通过开关管和+V连接,当传感器动作时,开关管饱和导通,OUT端和+V相通,输出+V高电平信号。
3.2 NPN和PNP输出电路和PLC输入模块的连接
3.2.1 NPN集电极开路输出
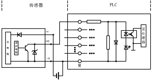
由以上分析可知,NPN集电极开路输出为0V,当输出OUT端和PLC输入相连时,电流从PLC的输入端流出,从PLC的公共端流入,此即为PLC的漏型电路的形式,即:NPN集电极开路输出只能接漏型或混合式输入电路形式的PLC,连接图如图10所示:
![]() 图10 NPN集电极开路输出和PLC的连接
3.2.2 PNP集电极开路输出
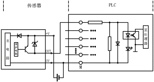
PNP集电极开路输出为+V高电平,当输出OUT端和PLC输入相连时,电流从PLC的输入端流入,从PLC的公共端流出,此即为PLC的源型电路的形式,即:PNP集电极开路输出只能接源型或混合型输入电路形式的PLC,连接图如图11所示:
![]() 图11 PNP集电极开路输出和PLC的连接
4 结束语
正是由于PLC输入模块电路形式和外接传感器输出信号的多样性,我们在PLC输入模块接线前要充分了解PLC输入电路的类型和传感器输出信号的形式,只有这样,才能确保PLC输入模块接线正确无误,为后续的PLC编程和调试工作打下一个良好的基础。
|









